Zurück zur Startseite
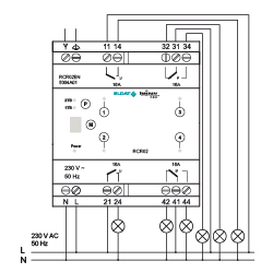
Der bidirektionale Hutschienen-Empfänger RCR02 4-Kanal dient dem potenzialfreien Schalten von vier Netzspannungsverbrauchern und kann mit Sendern der 1-Tast- und 2-Tast-Bedienung geschaltet werden. Je Schaltausgang lassen sich 32 Sendecodes einlernen.

Zusätzlich kann ein Easywave neo Server in den Empfänger eingelernt werden, um die bidirektionalen Funktionalitäten zu nutzen.

Der Empfänger kann in den Betriebsarten EIN/AUS, IMPULS und TOTMANN betrieben werden. In der Betriebsart EIN/AUS stehen zusätzlich zwei TIMERFunktionen und eine LOGIK-Funktion zur Verfügung.

Das Gerät ist für die Montage auf einer Standard-Hutschiene (35x7,5 mm) geeignet.

RCR02EN5004A01-29K
Technische Daten
Codierung Easywave neo
32 Sender je Ausgang einlernbar
Frequenz 868,30 MHz
Kanäle 4
Spannungsversorgung 230 V AC, 50 Hz
Leistungsaufnahme 0,4 W Stand by
1,9 W max. ohne Last
Betriebsarten EIN/AUS (1-Tast-Bedienung)
EIN/AUS (2-Tast-Bedienung)
IMPULS
TIMER fest (3 und 7 Minuten)
TIMER individual (je Sender)
TIMER global (je Ausgang)
TOTMANN
LOGIK (2-Tast-Bedienung)
Ausgänge 2 potenzialfreie Relaiskontakte (Schließer)
2 potenzialfreie Relaiskontakte (Wechsler)
Max. Kontaktbelastung ohmsche Last: 16,0 A / 3.680 VA
induktive Last: 3,0 A / 690 VA
Betriebstemperatur -20 °C bis +45 °C
Abmessungen (B/L/H) 71/90/63 mm
Lieferumfang
  • Hutschienen-Empfänger
  • Bedienungsanleitung
Zubehör (optional)
ACC-ANT50-03-21P Externe Antenne, 868MHz, 5m Koaxkabel, Klemmenanschluss, Magnetfuß

ACC-ANT50-03-21P
Ausführungen
Produktnummer Beschreibung
RCR02EN5004A01-29K Hutschienen-Empfänger, Easywave neo, 230V, 2x Schließer + 2x Wechsler, potenzialfrei
Anschlussplan