Zurück zur Startseite
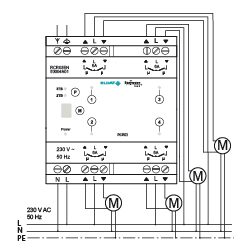
Der bidirektionale Hutschienen-Empfänger RCR03 4-Kanal dient dem potenzialfreien Ansteuern von vier Rohrmotoren.

Die Betriebsarten werden unterschieden in Anwendungen für die Rollladensteuerung und die Jalousiesteuerung.

Bei der Standardanwendung beträgt die Laufzeit 120 Sekunden. Bei den laufzeitabhängigen Anwendungen lässt sich die Laufzeit einstellen oder es können anzufahrende Positionen festgelegt werden.

Die Terrassenfunktion ermöglicht das Sperren der ZU-Richtung eines oder mehrerer Ausgänge und verhindert so ein versehentliches Aussperren.

Zusätzlich kann ein Easywave neo Server in den Empfänger eingelernt werden, um die bidirektionalen Funktionalitäten zu nutzen.


RCR03EN5004A01-29K
Technische Daten
Codierung Easywave neo
32 Sender je Ausgang einlernbar
Frequenz 868,30 MHz
Kanäle 4
Spannungsversorgung 230 V AC, 50 Hz
Leistungsaufnahme 0,4 W Stand by
1.2 W max. ohne Last
Betriebsarten AUF/STOPP/ZU (3-Tast-Bedienung. Lamellenverstellung möglich.)
AUF/ZU (2-Tast-Bedienung. Stopp mit Gegenrichtung. Lamellenverstellung möglich.)
POSITION anfahren
TOTMANN
Ausgänge 4 potenzialfreie Ausgänge mit je 2 Relaiskontakten
Max. Kontaktbelastung ohmsche Last cosφ = 1,0: 6,0 A / 1.500 VA
induktive Last cosφ = 0,8: 4,8 A / 1.200 VA
Betriebstemperatur -20 °C bis +45 °C
Abmessungen (B/L/H) 71/90/63 mm
Lieferumfang
  • Hutschienen-Empfänger
  • Bedienungsanleitung
Zubehör (optional)
ACC-ANT50-03-21P Externe Antenne, 868MHz, 5m Koaxkabel, Klemmenanschluss, Magnetfuß

ACC-ANT50-03-21P
Ausführungen
Produktnummer Beschreibung
RCR03EN5004A01-29K Hutschienen-Empfänger, Easywave neo, 230V, 4x Motor, potenzialfrei
Anschlussplan